优㊙️木あおい🌈固定式金屬密封高壓球閥|煤化工閥門

固定式金(jīn)优木あ㊙️おい🌈屬密封高(gao)壓球閥

固(gù)定式金屬(shǔ)密封高壓(yā)球閥

産品簡介(jie)

産品詳情(qíng)

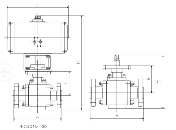
産品結構(gou)圖

固(gu)定式金屬(shǔ)密封高壓(yā)球閥結構(gòu)圖

結構參(cān)數


  • 姓名(míng)
  • 留言

網友(you)熱評

总 公 司急 速 版WAP 站H5 版无线端AI 智能3G 站4G 站5G 站6G 站
·
  
·